| Sign In | Join Free | My benadorassociates.com |
|
Brand Name : shenzhen Haohua
Model Number : HPT-6SSI
Place of Origin : Shenzhen
Payment Terms : T/T
Supply Ability : 80000
Delivery Time : 15days
Packaging Details : FOAM+Carton
MOQ : 5 pcs
Introduction:
HPT-6 pressure transducers are based on piezoresistive silicon pressure sensor packaged in 316L stainless steel housing. The sensing package utilizes silicone oil to transfer pressure from the 316L stainless steel diaphragm to the sensing element.Through strict component making, semi-finished product and all-finished product testing and aging, the transmitter is stable and reliable, having excellent flexibility, sensitivity and diversity.
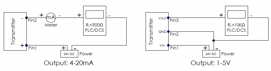
Various amplified output with 4~20mA, 0.5~4.5V, 0~5V.Various pressure ports, both cable and connector outlets are available; For maximum meeting customer’s needs, Special design will be provided if required.
Features:
|
|
|
|
Applications:
|
|
|
|
|
| Specifications( Refer to 25℃ ) | ||||
| Sensor Type | Piezoresistive/ceramic | Operable Temp.(℃) | -20~85℃ | |
| Wetted parts | 316L Stainless steel | Storage Temp(℃) | -40℃-125℃ | |
| Housing | 304 Stainless steel | Long term stability | ±0.25%FS(Typical) | |
| Sealing method | O-ring | Zero error(%FS) | ±0.5% | |
| Power supply | 12-36V DC(24V standard) | Full range error(%FS) | ±0.5% | |
| Protection grade | IP65 | Thermal Zero drift(%FS) | ±1.0% | |
| Pressure port | See below code description | Thermal Span drift(%FS) | ±1.0% | |
| Accuracy (Combined Non-linearity, Hysteresis and Non-repeatability)%FS | X Customized | Input Voltage / Output | See below code description | |
| 0.25%(Typical) | Response | 1KHz | ||
|
Pressure Range(Bar) |
-0.1…0…600Bar | Insulation | Min1MΩ @250VDC&25℃ | |
| Shock | 100g,11msec | |||
| Over pressure | 3X Full Range | Noise | < 2m VRMS | |
| Burst pressure | 4X Full Range or 20kpsi which is less | Pressure reference | Absolute /Vent Gauge/ Seal Gauge | |
| Life | >107 Full Range Pressure | Weight | 85g Max. | |
Outline Drawing:

Electric Circuit:



|
|
High Accuracy Smart Pressure Transducer for automatic device application HPT-6SSI Images |